Rangkaian Control Reverse-Forward Motor 3 Phasa
Berikut rangkain reverse-forward menggunakan 2 kontaktor. Rangkaian ini juga menggunakan 2 push button on untuk masing-masing reverse dan forward, 1 push button off untuk memberhentikan motor yang berjalan. Pada rangkaian ini juga terdapat TOR sebagai pengaman arus lebih.
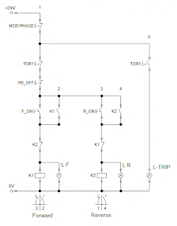
Gambar Rangkaian
Kontak K1 "2" dan K2 "4" berguna sebagai Self Holding. Kontak K2 "1" dan K1 "3" berguna sebagai Interlock yang menyebabkan kedua kontak tidak bisa bekerja dalam waktu yang sama.
Gambar Forward Bekerja
Untuk mematikan tekan PB_OFF.
Cara kerja untuk Reverse :
Gambar Reverse Bekerja
Ketika Push Button R_ON ditekan, arus mengalir pada kontaktor K2 (sehingga pada K2 kontak yang semulanya NO berubah menjadi NC dan yang semulanya NC berubah menjadi NO). Sehingga kontak K2 "4" menjadi NC (Self Holding) dan kontak K2 "1" menjadi NO (Interlock). Ketika Kontaktor 2 bekerja, Lampu Reverse (LR) menyala, menandakan bahwa motor sedang berputar Reverse.
Untuk mematikan tekan PB_OFF.
Trip :
Gambar Trip
Ketika motor terjadi beban lebih, pengaman termis (TOR/Thermal Overload Relay) bekerja, sehingga kontak TOR yang semula NO menjadi NC dan yang semula NC menjadi NO. Kemudian menyebabkan Lampu Trip (L_TRIP) menyala, menandakan bahwa motor sedang Trip (terjadi arus lebih).
Follow and share this site ya. Thx,
Tambah pengetahuan di : freetoeducation.blogspot.com
Artikel Terkait :
- Rangkaian Control Reverse-Forward
- Rangkaian Control Reverse Forward-Star Delta
- Rangkaian Control Stepped Star-Delta (Star-Delta Bertingkat)
- Rangkaian Control Star-Delta
- Rangkaian Daya Reverse Forward-Star Delta
- Rangkaian Daya Star-Delta




Tidak ada komentar:
Posting Komentar