Sabtu, 30 Juni 2012

Rangkaian Control Reverse Forward - Star Delta


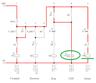
Rangkaian Control Reverse Forward - Star Delta Motor 3 Phasa


Berikut rangkaian kontrol motor 3 phasa untuk reverse forward - star delta menggunakan 4 contactor dan 1 time delay relay. Rangkaian menggunakan 2 push button ON dan 1 push button OFF.

Cara kerja untuk Forward :
Star pada Forward Bekerja

Jika push button F_ON ditekan maka K1 (Kontaktor Forward) bekerja sehingga yang semula kontak NO jadi NC. Disini kontak NO K1 dan K2 digunakan untuk mengunci agar kerja reverse dan forward tidak bersamaan. Membuat K3 (Kontaktor Star) dan T1 (Time Delay Relay) bekerja juga. Disini kontak K3 dan K4 sebagai interlock agar star delta tidak bekerja berbarengan. T1 bekerja selama waktu yang ditentukan dan jika waktu sudah tercapai maka kontak T1 yang semula NO jadi NC dan yang semula NC jadi NO. Sehingga K4 (Kontaktor Delta)  menjadi bekerja menggantikan K3.
Delta pada Forward Bekerja

Untuk mematikan tekan Push Button OFF.

Cara kerja untuk Reverse :

Star pada Reverse Bekerja

Jika push button R_ON ditekan maka K2 (Kontaktor Reverse) bekerja sehingga yang semula kontak NO jadi NC. Disini kontak NO K1 dan K2 digunakan untuk mengunci agar kerja reverse dan forward tidak bersamaan. Membuat K3 (Kontaktor Star) dan T1 (Time Delay Relay) bekerja juga. Disini kontak K3 dan K4 sebagai interlock agar star delta tidak bekerja berbarengan. T1 bekerja selama waktu yang ditentukan dan jika waktu sudah tercapai maka kontak T1 yang semula NO jadi NC dan yang semula NC jadi NO. Sehingga K4 (Kontaktor Delta)  menjadi bekerja menggantikan K3.

Delta pada Reverse Bekerja

Untuk mematikan tekan Push Button OFF.

Follow this site and share it ya. Thx,
Tambah pengetahuan di : freetoeducation.blogspot.com

Artikel Terkait :

Tidak ada komentar:

Posting Komentar

Choose Your Language

Comment